AÇIKLAMA
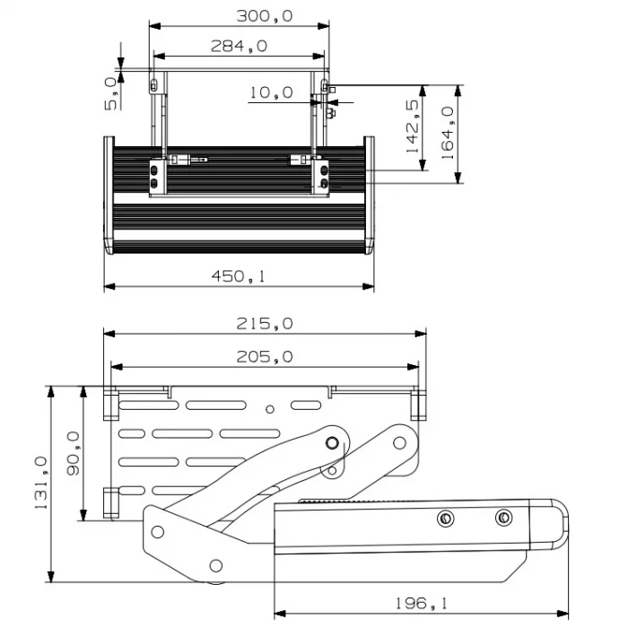
Bustronic Pickpath 455mm Katlanır Alüminyum Giriş Basamağı, karavanınıza güvenli ve pratik bir erişim sağlamak için tasarlanmış yüksek kaliteli bir aksesuardır. Dayanıklı alüminyum malzemeden üretilen bu karavan basamağı, sağlamlık ve hafifliği bir araya getirerek, gereksiz ağırlık eklemeden uzun ömürlü bir performans sunar. Basamağın kaymaz yüzeyi, ıslak koşullarda bile güvenliği artırır ve karavanınıza girip çıkarken size güven verir. Paket içeriğinden çıkan Ekstra montaj braketi sayesinde daha geniş bir tabana monte edilerek karavanınızın alt yalıtım kısımlarına montaj sırasında dayanıklılığı artırır.
Bu karavan giriş basamağı özellikle çekme karavanlar için tasarlanmıştır ve kullanım sırasında stabilite sağlamak için kolayca monte edilebilir. Katlanabilir özelliği, kullanılmadığında basamağın pratik bir şekilde saklanmasını sağlar, böylece yer tasarrufu sağlar ve olası kazaların önüne geçer. Bir katlanır karavan basamağı olarak, kompakt ve verimli çözümler arayan gezginler için esneklik sunar.
Karavan basamağı fiyatları açısından, Bustronic Pickpath 455mm modeli dayanıklı yapısı ve kullanışlı tasarımıyla olağanüstü bir değer sunar. Elektronik modellere kıyasla, bu bir manuel karavan basamağı olup, mekanik sorunlara daha az yatkındır ve kullanımı kolaydır. Basamağı gerektiğinde açın ve kullanımdan sonra katlayın – elektrik gerektirmez, bu da onu off-grid (şebeke dışı) maceralar için ideal hale getirir.
Uygun fiyatlı, güvenilir ve kullanımı kolay bir giriş basamağı arayanlar için bu manuel karavan basamağı harika bir seçenektir.
Teknik Özellikleri:
Sertifikalı - Avrupa Standartlarında Üretim Sertifikası
İade ve cayma hakkı
Web sitemiz üzerinden yapılan satışlar Tüketicinin Korunması Hakkında Kanun ile Mesafeli Sözleşmeler Yönetmeliğine tabi satışlardır ve bu kanun-yönetmelikteki hükümleri uygulamaktadır.İade edeceğiniz ürünlerin aşağıdaki şartlara uygun olması işlemlerin hızlı bir şekilde tamamlanmasını sağlayacaktır:
İade edeceğiniz ürüne ilişkin web sayfamızda yer alan iletişim bilgileri doğrultusunda bizimle irtibata geçmeniz vebildirimde bulunmanız gerekmektedir. İade Kargo gönderilerinde Kargo bedeli ödemeden Anlaşmalı olduğumuz Yurtiçi Kargo firması ile yapılması gerekir. İade bildiriminde bulunulmadan gönderilecek ürünler müşteriye geri gönderilecektir. Anlaşmalı olduğumuz YURTİÇİ KARGO ile gönderilmeyen kargolar teslim alınmamaktadır.
Ürünlerin kutusu üzerindeki, ithalatçı veya üretici firma tarafından yapıştırılmış olan etiketlerin yırtılması, vakumlu veya jelatinli ambalajın açılması durumlarında, iade talepleri kabul edilmemektedir.
İadenin, satın alınan ürün vakum ambalajlı ise ambalajı açılmadan, tahrip edilmeden, bozulmadan ve ürün kullanılmadan teslim tarihinden itibaren ondört (14) günlük süre içinde gerçekleştirilmesi gereklidir.
Tüketicinin Korunması Hakkında Kanun 'un 4.Maddesine göre, "Tanıtım ve kullanma kılavuzunda ya da reklam ve ilânların da yer alan niteliklerine aykırı olan ya da kullanım amacı bakımından tüketicinin ondan beklediği faydaları azaltan maddi, hukuki veya ekonomik eksiklikler içeren mallar, ayıplı mal olarak kabul edilir. Müşteri, malın teslim tarihinden itibaren 30 gün içerisinde ayıplı mal bildiriminde bulunursa, ürünüiadeetme, bedel indirimi, ücretsiz değişim ya da ücretsiz onarım haklarından birine sahiptir.” .
Ayıplı Mal bildiriminde bulunarak yukarıda belirtilen haklardan faydalanmak için;
Ürünün özellikleri, tanıtımında belirtilen özelliklerden farklıysa ya da, müşterinin üründen beklediği faydayı azaltan eksiklikler varsa, ürün, ayıplı mal sınıfına girer.
Müşteri, 30 gün içerisinde ayıplı mal bildiriminde bulunmalıdır.
Ayıplı Mal bildiriminde, ürünün ithalatçısı düzenlenen bir raporla kullanım hatasının bulunup bulunmadığı belirlenir. Kullanıcı hatasının olduğu tespit edilirse, müşteri, haklardan faydalanamaz.
Cayma hakkı
Mesafeli Sözleşmeler Yönetmeliği 'nin 8. Maddesine göre, müşteri, "Ürünü teslim aldığı tarihten itibaren Ondört içerisinde hiçbir sorumluluk üstlenmek sizin ve hiçbir gerekçe göstermeksizin malı reddederek sözleşmeden cayma hakkına sahiptir.” . Buna göre, müşteri, ürünü aldıktan sonra, 14 gün içerisinde sebepsiz iade etme hakkına sahiptir.
Ürün İade kargo gönderimi yapılamadan öden hesabınızdan, İade talep başvurusu oluşturulması gerekilmektedir. İade başvurusu için ön talep oluşturmadan yapılan gönderimlerde firmamız sorumlu değildir.
DEĞİŞİM HAKKI
Ürün değişimi işlemlerinde öncelikle web sitemiz üzerinden hesabınızdan ticket mesaj artarak veya numaradan ulaşarak üründe yaşadığınız sorunu ve hangi ürünle değiştirmek isteyeceğini belirtiniz. Müşteri temsilcinizin ticket mesajınızdan sonra sizi yönlendirmiş olduğu talimatlara göre Anlaşmalı olduğumuz Yurtiçi Kargo firması ile ürün Kargo bedeli Ödemeden gönderimini gerçekleştiriniz.
